Descrizione
L’M-10x è l’amplificatore di potenza stereo/mono di punta, progettato per sostituire il celebre M-900u, uscito per la prima volta nel 2013. L’M-10x diventa modello di punta della linea di prossima generazione per celebrare il 100° anniversario della fondazione di Luxman nel 1925.
Realizzato con estrema cura e con una qualità sonora eccezionale, l’M-10x è destinato a soddisfare gli audiofili e gli amanti della musica più esigenti, grazie alla sua capacità di pilotare diffusori di qualsiasi tipo.
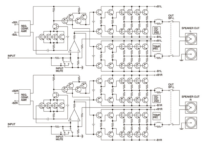
I tratti distintivi del progetto originale dell’amplificatore Luxman, come i circuiti ODNF, sono stati attentamente analizzati e poi ulteriormente evoluti attraverso ampie simulazioni al computer per ottenere un radicale miglioramento delle prestazioni audio. Solo dopo ripetute prove di ascolto dei nuovi componenti del circuito e dei prototipi, i risultati sono stati giudicati idonei per essere adottati come “LIFES1.0” nel nuovo M-10x di Luxman.
Il design del telaio è tridimensionale, come quello del D-10x. I misuratori di livello analogici (VU) sono stati migliorati con retroilluminazione a LED e il misuratore del canale sinistro è esattamente centrato per la priorità di utilizzo BTL-mono. Dotato di connessioni di ingresso/uscita con trigger a 12 volt per collegare in cascata più amplificatori in un home theater o per consentire una comoda integrazione in sistemi automatizzati.



